您现在所在的位置 : 首页 > 政务公开 > 通知公告
分享到:
索引号: 4311280016/2025-30669 分类:  
发文机关: 发文日期: 2025-11-27
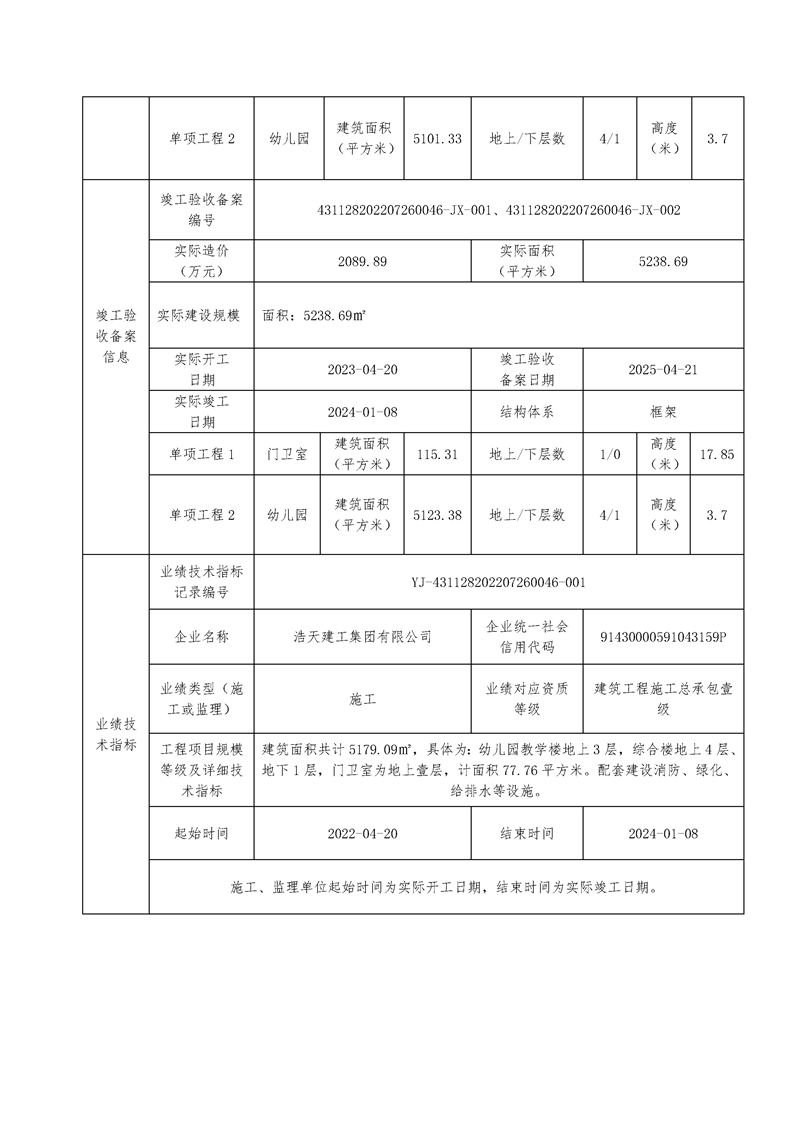
名称: 关于新田县晓日幼儿园建设项目申请数据治理和等级提升信息的公示
文号 :    
关于新田县晓日幼儿园建设项目申请数据治理和等级提升信息的公示
  • 2025-11-27 11:30
  • 来源: 新田县住建局
  • 发布机构:
  • 【字体:   






相关阅读
扫一扫在手机打开当前页
相关链接
各省市政府
市州政府
县区管理区网站
站群导航
网站地图 | 联系我们 | 政务邮箱:xtgovment@126.com

主办:新田县人民政府办公室    承办:新田县数据局(新田县行政审批服务局)    
技术支持:0746-4767803(仅受理网站建设维护相关事宜)
网站标识码:4311280016    湘ICP备10010030号    湘公网安备 43112802000004号

  • 湖南省政府网
  • 永州市人民
    政府网
  • 三湘e监督
  • 监督一点通